Komínová klapka pro krby 200 mm
Komínová klapka pro krby 200 mm
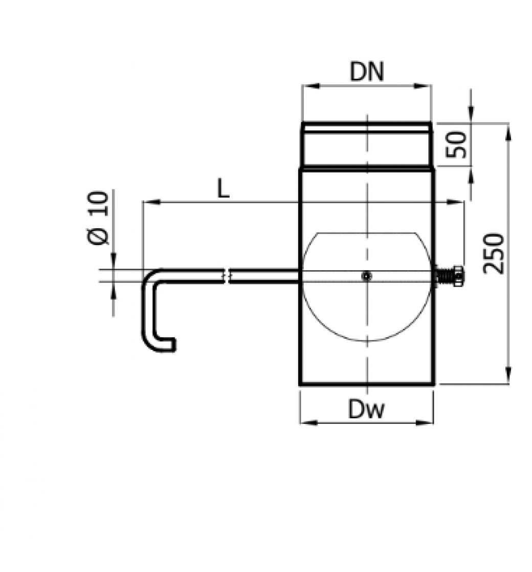
Technická data
Klapka uzavírá na 75 %
Nastavenou polohu klapky udržuje aretační pružina
- Plazmově svářeno- Lakováno senothermním lakem - Certifikát CE (norma EN 1856-2)Kouřovody
Parametry
| Barva: | černá |
|---|---|
| Délka: | 25cm |
| Materiál: | 2 mm ocelový plech |
| Tepelná odolnost: | 1000°C |
| Průměr kouřovodu: | 200 mm |
